GOST 12821-80 Weld Neck Flanges Manufacturer – Premium Quality Flanges for Industrial Applications
We are a leading manufacturer and supplier of GOST 12821-80 flanges, specializing in high-quality weld neck flanges for high-pressure applications. Designed in accordance with Russian standards, GOST 12821-80 flanges are widely used in oil & gas, petrochemical, power generation, and heavy industrial sectors.
GOST 12821-80 Weld Neck Flanges are widely used in various industries due to their robust performance and long-lasting durability. As a trusted manufacturer, we provide high-quality weld neck flanges that meet international standards, ensuring reliability and safety in critical applications.
What Is GOST 12821-80?
GOST 12821-80 is a Russian standard that specifies the dimensions and tolerances for steel high-pressure weld neck flanges (Class PN 6 to PN 250). These flanges are typically used in pipeline systems where high strength and resistance to pressure and temperature are required.
GOST 12821-80 is a Russian standard that defines the dimensions and technical requirements for steel butt-welded flanges used in high-pressure piping systems. Free download GOST 12821-80 standard in PDF
GOST 12821-80 Flange specification
Type: Butt-welded flange (приварной встык) — equivalent to weld neck flanges in international standards (EN 109201 type 11)
Connection method: Welded to the pipe end by butt welding (not fillet weld)
Purpose: Ensures high strength, leak-proof, and stress-resistant connections
Pressure ratings:
- PN 0.6 to PN 20.0 MPa (6 to 200 kgf/cm²)
Nominal diameter (DN):
- Typically DN 10 to DN 1600
Sealing face types (per GOST 12815-80):
- Type 1 – smooth face
- Type 2 – protruding face
- Type 3 – groove
- Type 4 – tongue
- Type 5 – ring joint
- Type 6 – male face
Material:
- Carbon steel :СТ20; СТ.3, 09Т2С
- Stainless steel:12Х18Н10Т; 10Х17Н13М2Т,ASTM A182 F304L, F316/316L, F316H, F310, F321 F44
- Alloy steel:ASTM A182 F1, F5a, F9, F11, F12, F22, F91,15Х5М
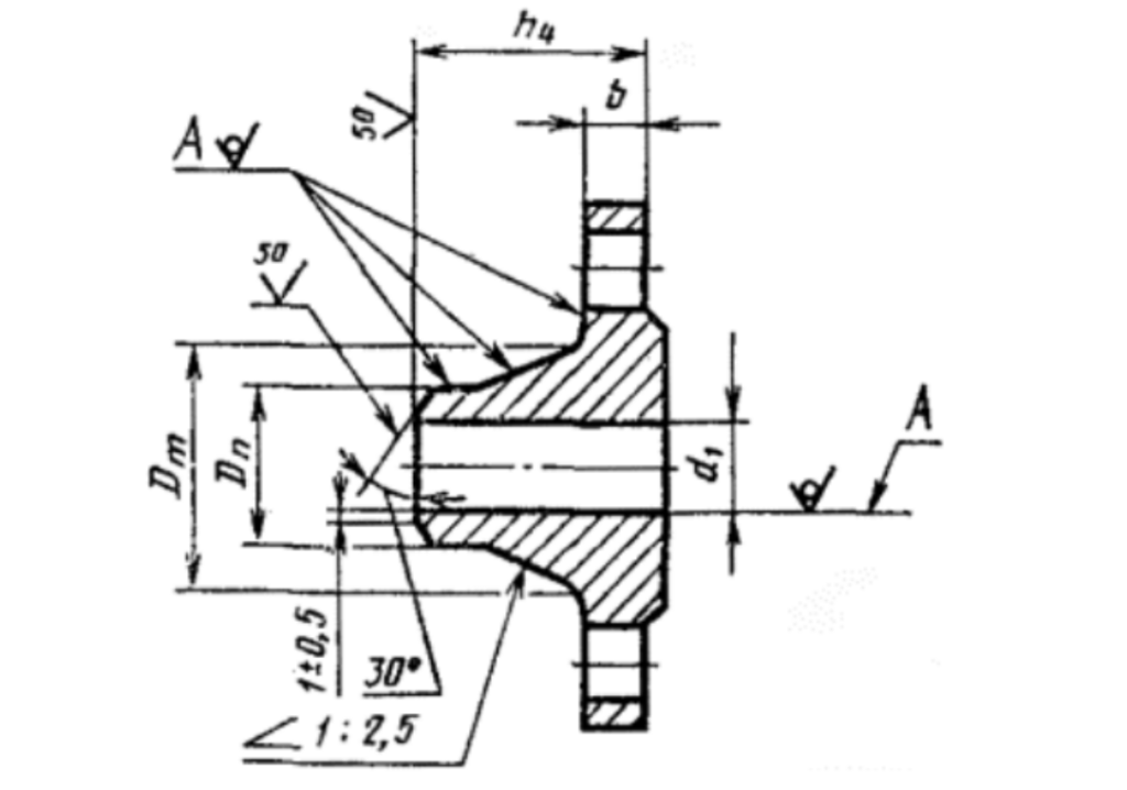
GOST 12821-80 Flange Dimensions

GOST 12821-80 Flange PN6 Dimensions
| Nomenclature | D (mm) | D1 (mm) | D2 (mm) | h (mm) | d1 (mm) | b (mm) | h4 (mm) | Dm (mm) | Dn (mm) | Number of holes (n) | d (mm) | Weight, Kg |
| 1-10-6 | 75 | 50 | 35 | 2 | 8 | 10 | 27 | 22 | 15 | 4 | 11 | 0.34 |
| 1 – 15 – 6 | 80 | 55 | 40 | 2 | 12 | 10 | 28 | 28 | 19 | 4 | 11 | 0.4 |
| 1 – 20 – 6 | 90 | 65 | 50 | 2 | 18 | 10 | 30 | 36 | 26 | 4 | 11 | 0.53 |
| 1 – 25 – 6 | 100 | 75 | 60 | 2 | 25 | 12 | 30 | 42 | 33 | 4 | 11 | 0.76 |
| 1 – 32 – 6 | 120 | 90 | 70 | 2 | 31 | 12 | 33 | 50 | 39 | 4 | 14 | 1.1 |
| 1 – 40 – 6 | 130 | 100 | 80 | 3 | 38 | 12 | 35 | 60 | 46 | 4 | 14 | 1.36 |
| 1 – 50 – 6 | 140 | 110 | 90 | 3 | 49 | 12 | 35 | 70 | 58 | 4 | 14 | 1.53 |
| 1 – 65 – 6 | 160 | 130 | 110 | 3 | 66 | 12 | 35 | 88 | 77 | 4 | 14 | 1.97 |
| 1 – 80 – 6 | 185 | 150 | 128 | 3 | 78 | 13 | 37 | 102 | 90 | 4 | 18 | 2.76 |
| 1 – 100 – 6 | 205 | 170 | 148 | 3 | 96 | 13 | 38 | 122 | 110 | 4 | 18 | 3.35 |
| 1 – 125 – 6 | 235 | 200 | 178 | 3 | 121 | 15 | 40 | 148 | 135 | 8 | 18 | 4.66 |
| 1 – 150 – 6 | 260 | 225 | 202 | 3 | 146 | 15 | 43 | 172 | 161 | 8 | 18 | 5.37 |
| 1 – 175 – 6 | 290 | 255 | 232 | 3 | 177 | 17 | 47 | 210 | 196 | 8 | 18 | 7.32 |
| 1 – 200 – 6 | 315 | 280 | 258 | 3 | 202 | 17 | 50 | 235 | 222 | 8 | 18 | 8.37 |
| 1 – 225 – 6 | 340 | 305 | 282 | 3 | 226 | 17 | 50 | 260 | 248 | 8 | 18 | 9.45 |
| 1 – 250 – 6 | 370 | 335 | 312 | 3 | 254 | 18 | 50 | 288 | 278 | 12 | 18 | 10.99 |
| 1 – 300 – 6 | 435 | 395 | 365 | 4 | 303 | 18 | 50 | 340 | 330 | 12 | 22 | 14.82 |
| 1 – 350 – 6 | 485 | 445 | 415 | 4 | 351 | 18 | 50 | 390 | 382 | 12 | 22 | 17.69 |
| 1 – 400 – 6 | 535 | 495 | 465 | 4 | 398 | 18 | 50 | 440 | 432 | 16 | 22 | 20.55 |
| 1 – 450 – 6 | 590 | 550 | 520 | 4 | 450 | 18 | 50 | 494 | 484 | 16 | 22 | 23.63 |
| 1 – 500 – 6 | 640 | 600 | 570 | 4 | 501 | 19 | 50 | 545 | 535 | 16 | 22 | 26.63 |
| 1 – 600 – 6 | 755 | 705 | 670 | 5 | 602 | 19 | 55 | 650 | 636 | 20 | 26 | 35.79 |
| 1 – 700 – 6 | 860 | 810 | 775 | 5 | 692 | 19 | 55 | 740 | 726 | 24 | 26 | 44.31 |
| 1 – 800 – 6 | 975 | 920 | 880 | 5 | 792 | 19 | 60 | 844 | 826 | 24 | 30 | 56.17 |
| 1 – 900 – 6 | 1075 | 1020 | 980 | 5 | 792 | 21 | 60 | 944 | 926 | 24 | 30 | 66.79 |
| 1 – 1000 – 6 | 1175 | 1120 | 1080 | 5 | 992 | 21 | 60 | 1044 | 1028 | 28 | 30 | 73.51 |
| 1 – 1200 – 6 | 1375 | 1340 | 1295 | 5 | 1192 | 23 | 70 | 1248 | 1228 | 32 | 33 | 111.4 |

GOST 12821-80 Flange PN10 Dimensions
| Nomenclature | D (mm) | D1 (mm) | D2 (mm) | h (mm) | d1 (mm) | b (mm) | h4 (mm) | Dm (mm) | Dn (mm) | Number of holes (n) | d (mm) | Weight, Kg |
| 1-10-10 | 90 | 60 | 42 | 2 | 8 | 10 | 33 | 25 | 15 | 4 | 14 | 0.5 |
| 1 – 15 – 10 | 95 | 65 | 47 | 2 | 12 | 10 | 33 | 33 | 19 | 4 | 14 | 0.58 |
| 1 – 20 – 10 | 105 | 75 | 58 | 2 | 18 | 12 | 38 | 30 | 26 | 4 | 14 | 0.87 |
| 1 – 25 – 10 | 115 | 85 | 68 | 2 | 25 | 12 | 38 | 45 | 33 | 4 | 14 | 1.05 |
| 1 – 32 – 10 | 135 | 100 | 78 | 2 | 31 | 13 | 40 | 55 | 39 | 4 | 18 | 1.54 |
| 1 – 40 – 10 | 145 | 110 | 88 | 3 | 38 | 13 | 42 | 62 | 46 | 4 | 18 | 1.83 |
| 1 – 50 – 10 | 160 | 125 | 102 | 3 | 49 | 13 | 42 | 76 | 58 | 4 | 18 | 2.26 |
| 1 – 65 – 10 | 180 | 145 | 122 | 3 | 66 | 15 | 45 | 94 | 77 | 4 | 18 | 3.17 |
| 1 – 80 – 10 | 195 | 160 | 133 | 3 | 78 | 15 | 47 | 105 | 90 | 4 | 18 | 3.67 |
| 1 – 100 – 10 | 215 | 180 | 158 | 3 | 96 | 17 | 48 | 126 | 110 | 8 | 18 | 4.7 |
| 1 – 125 – 10 | 245 | 210 | 184 | 3 | 121 | 19 | 57 | 158 | 135 | 8 | 18 | 6.71 |
| 1 – 150 – 10 | 280 | 240 | 212 | 3 | 146 | 19 | 57 | 180 | 161 | 8 | 22 | 8.17 |
| 1 – 175 – 10 | 310 | 270 | 242 | 3 | 177 | 19 | 57 | 210 | 196 | 8 | 22 | 9.71 |
| 1 – 200 – 10 | 335 | 295 | 268 | 3 | 202 | 19 | 58 | 240 | 222 | 8 | 22 | 11.35 |
| 1 – 225 – 10 | 365 | 325 | 295 | 3 | 226 | 19 | 60 | 268 | 248 | 8 | 22 | 13.24 |
| 1 – 250 – 10 | 390 | 350 | 320 | 3 | 254 | 21 | 60 | 290 | 278 | 12 | 22 | 14.64 |
| 1 – 300 – 10 | 440 | 400 | 370 | 4 | 303 | 22 | 60 | 345 | 330 | 12 | 22 | 18.66 |
| 1 – 350 – 10 | 500 | 460 | 430 | 4 | 351 | 22 | 60 | 400 | 382 | 16 | 22 | 24 |
| 1 – 400 – 10 | 565 | 515 | 482 | 4 | 398 | 22 | 60 | 445 | 432 | 16 | 26 | 30 |
| 1 – 450 – 10 | 615 | 565 | 532 | 4 | 450 | 22 | 65 | 500 | 484 | 20 | 26 | 33.33 |
| 1 – 500 – 10 | 670 | 620 | 585 | 4 | 501 | 24 | 65 | 550 | 535 | 20 | 26 | 39.2 |
| 1 – 600 – 10 | 780 | 725 | 685 | 5 | 602 | 24 | 65 | 650 | 636 | 20 | 30 | 48.8 |
| 1 – 700 – 10 | 895 | 840 | 800 | 5 | 692 | 25 | 65 | 744 | 726 | 24 | 30 | 65.26 |
| 1 – 800 – 10 | 1010 | 950 | 905 | 5 | 792 | 27 | 75 | 850 | 826 | 24 | 33 | 87.24 |
| 1 – 900 – 10 | 1110 | 1050 | 1005 | 5 | 892 | 29 | 80 | 950 | 926 | 28 | 33 | 103 |
| 1 – 1000 – 10 | 1220 | 1160 | 110 | 5 | 992 | 29 | 80 | 1050 | 1028 | 28 | 33 | 119.2 |
| 1 – 1200 – 10 | 1455 | 1380 | 1330 | 5 | 1192 | 33 | 90 | 1256 | 1228 | 32 | 39 | 179.9 |
GOST 12821-80 Flange PN16 Dimensions
| Nomenclature | D (mm) | D1 (mm) | D2 (mm) | h (mm) | d1 (mm) | b (mm) | h4 (mm) | Dm (mm) | Dn (mm) | Number of holes (n) | d (mm) | Weight, Kg |
| 1-10-16 | 90 | 60 | 42 | 2 | 8 | 12 | 33 | 26 | 15 | 4 | 14 | 0.59 |
| 1 – 15 – 16 | 95 | 65 | 47 | 2 | 12 | 12 | 33 | 33 | 19 | 4 | 14 | 0.68 |
| 1 – 20 – 16 | 105 | 75 | 58 | 2 | 18 | 12 | 36 | 30 | 26 | 4 | 14 | 0.87 |
| 1 – 25 – 16 | 115 | 85 | 68 | 2 | 25 | 12 | 38 | 45 | 33 | 4 | 14 | 1.05 |
| 1 – 32 – 16 | 135 | 100 | 78 | 2 | 31 | 13 | 40 | 55 | 39 | 4 | 18 | 1.54 |
| 1 – 40 – 16 | 145 | 110 | 88 | 3 | 38 | 13 | 42 | 64 | 46 | 4 | 18 | 1.85 |
| 1 – 50 – 16 | 160 | 125 | 102 | 3 | 49 | 13 | 45 | 76 | 58 | 4 | 18 | 2.28 |
| 1 – 65 – 16 | 180 | 145 | 122 | 3 | 66 | 15 | 47 | 94 | 77 | 4 | 18 | 3.19 |
| 1 – 80 – 16 | 195 | 160 | 133 | 3 | 78 | 17 | 50 | 110 | 90 | 4 | 18 | 4.21 |
| 1 – 100 – 16 | 215 | 180 | 158 | 3 | 96 | 17 | 50 | 130 | 110 | 8 | 18 | 4.9 |
| 1 – 125 – 16 | 245 | 210 | 184 | 3 | 121 | 19 | 57 | 156 | 135 | 8 | 18 | 6.75 |
| 1 – 150 – 16 | 280 | 240 | 212 | 3 | 146 | 19 | 57 | 180 | 161 | 8 | 22 | 8.3 |
| 1 – 175 – 16 | 310 | 270 | 242 | 3 | 177 | 21 | 57 | 210 | 196 | 8 | 22 | 10.37 |
| 1 – 200 – 16 | 335 | 395 | 268 | 3 | 202 | 21 | 58 | 240 | 222 | 12 | 22 | 11.79 |
| 1 – 225 – 16 | 365 | 325 | 295 | 3 | 226 | 21 | 65 | 268 | 248 | 12 | 22 | 14.12 |
| 1 – 250 – 16 | 405 | 355 | 320 | 3 | 254 | 23 | 65 | 292 | 278 | 12 | 26 | 17.36 |
| 1 – 300 – 16 | 460 | 410 | 370 | 4 | 303 | 24 | 66 | 346 | 330 | 12 | 26 | 22.76 |
| 1 – 350 – 16 | 520 | 470 | 430 | 4 | 351 | 28 | 70 | 400 | 382 | 16 | 26 | 32.04 |
| 1 – 400 – 16 | 580 | 525 | 482 | 4 | 398 | 32 | 75 | 450 | 432 | 16 | 30 | 43 |
| 1 – 450 – 16 | 640 | 585 | 532 | 4 | 450 | 34 | 85 | 506 | 484 | 20 | 30 | 54 |
| 1 – 500 – 16 | 710 | 650 | 585 | 4 | 501 | 38 | 90 | 559 | 535 | 20 | 33 | 70.97 |
| 1 – 600 – 16 | 840 | 770 | 685 | 5 | 602 | 41 | 90 | 660 | 636 | 20 | 33 | 99.3 |
| 1 – 700 – 16 | 910 | 840 | 800 | 5 | 692 | 43 | 95 | 750 | 726 | 24 | 39 | 105.9 |
| 1 – 800 – 16 | 1020 | 950 | 905 | 5 | 792 | 45 | 95 | 850 | 826 | 24 | 39 | 130.6 |
| 1 – 900 – 16 | 1120 | 1050 | 1005 | 5 | 892 | 47 | 110 | 958 | 926 | 28 | 39 | 157.8 |
| 1 – 1000 – 16 | 1255 | 1170 | 1110 | 5 | 992 | 49 | 110 | 1060 | 1028 | 28 | 45 | 203.4 |
| 1 – 1200 – 16 | 1485 | 1390 | 1330 | 5 | 1192 | 51 | 125 | 1268 | 1228 | 32 | 52 | 284.9 |
GOST 12821-80 Flange PN25 Dimensions
| Nomenclature | D (mm) | D1 (mm) | D2 (mm) | h (mm) | d1 (mm) | b (mm) | h4 (mm) | Dm (mm) | Dn (mm) | Number of holes (n) | d (mm) | Weight, Kg |
| 1-10-25 | 90 | 60 | 42 | 2 | 8 | 14 | 33 | 26 | 15 | 4 | 14 | 0.68 |
| 1 – 15 – 25 | 105 | 65 | 47 | 2 | 12 | 14 | 33 | 30 | 19 | 4 | 14 | 0.79 |
| 1 – 20 – 25 | 105 | 75 | 58 | 2 | 18 | 14 | 34 | 38 | 26 | 4 | 14 | 0.97 |
| 1 – 25 – 25 | 115 | 85 | 68 | 2 | 25 | 14 | 36 | 45 | 33 | 4 | 14 | 1.18 |
| 1 – 32 – 25 | 135 | 100 | 78 | 2 | 31 | 16 | 43 | 56 | 39 | 4 | 18 | 1.83 |
| 1 – 40 – 25 | 115 | 110 | 88 | 3 | 38 | 16 | 45 | 64 | 46 | 4 | 18 | 2.19 |
| 1 – 50 – 25 | 160 | 125 | 102 | 3 | 49 | 17 | 45 | 76 | 58 | 4 | 18 | 2.78 |
| 1 – 65 – 25 | 180 | 145 | 122 | 3 | 66 | 19 | 50 | 96 | 77 | 8 | 18 | 3.71 |
| 1 – 80 – 25 | 195 | 160 | 133 | 3 | 78 | 19 | 52 | 110 | 90 | 8 | 18 | 4.44 |
| 1 – 100 – 25 | 230 | 190 | 158 | 3 | 96 | 21 | 58 | 132 | 110 | 8 | 22 | 6.51 |
| 1 – 125 – 25 | 270 | 220 | 184 | 3 | 121 | 23 | 65 | 160 | 135 | 8 | 26 | 9.41 |
| 1 – 150 – 25 | 300 | 250 | 212 | 3 | 146 | 25 | 68 | 186 | 161 | 8 | 26 | 12.52 |
| 1 – 175 – 25 | 330 | 280 | 242 | 3 | 177 | 25 | 70 | 216 | 196 | 12 | 26 | 13.88 |
| 1 – 200 – 25 | 360 | 310 | 278 | 3 | 202 | 27 | 75 | 245 | 222 | 12 | 26 | 17.44 |
| 1 – 225 – 25 | 395 | 340 | 305 | 3 | 226 | 29 | 75 | 270 | 248 | 12 | 30 | 21.56 |
| 1 – 250 – 25 | 425 | 370 | 335 | 3 | 254 | 29 | 75 | 300 | 278 | 12 | 30 | 24.4 |
| 1 – 300 – 25 | 485 | 430 | 390 | 4 | 303 | 32 | 80 | 352 | 330 | 16 | 30 | 33.29 |
| 1 – 350 – 25 | 550 | 490 | 450 | 4 | 351 | 36 | 85 | 406 | 382 | 16 | 33 | 46.57 |
| 1 – 400 – 25 | 610 | 550 | 505 | 4 | 398 | 40 | 100 | 464 | 432 | 16 | 33 | 64.81 |
| 1 – 450 – 25 | 660 | 600 | 555 | 4 | 450 | 42 | 100 | 515 | 484 | 20 | 33 | 72.26 |
| 1 – 500 – 25 | 730 | 660 | 615 | 4 | 500 | 44 | 105 | 570 | 535 | 20 | 39 | 88.91 |
| 1 – 600 – 25 | 840 | 770 | 720 | 5 | 600 | 49 | 115 | 670 | 636 | 20 | 39 | 123.7 |
| 1 – 700 – 25 | 960 | 875 | 820 | 5 | 690 | 53 | 125 | 766 | 726 | 24 | 45 | 166.8 |
| 1 – 800 – 25 | 1075 | 990 | 930 | 5 | 790 | 55 | 135 | 874 | 826 | 24 | 45 | 213.9 |
| 1 – 900 – 25 | 1185 | 1090 | 1030 | 5 | 892 | 57 | 145 | 980 | 926 | 28 | 52 | 252.9 |
| 1 – 1000 – 25 | 1315 | 1210 | 1140 | 5 | 992 | 59 | 150 | 1084 | 1028 | 28 | 56 | 312.1 |
| 1 – 1200 – 25 | 1525 | 1420 | 1350 | 5 | 1192 | 62 | 160 | 1288 | 1228 | 32 | 56 | 387.5 |
GOST 12821-80 Flange PN40 Dimensions
| Nomenclature | D (mm) | D1 (mm) | D2 (mm) | h (mm) | d1 (mm) | b (mm) | h4 (mm) | Dm (mm) | Dn (mm) | Number of holes (n) | d (mm) | Weight, Kg |
| 1 – 10 – 40 | 90 | 60 | 42 | 2 | 8 | 14 | 33 | 26 | 15 | 4 | 14 | 0.68 |
| 1 – 15 – 40 | 95 | 65 | 47 | 2 | 12 | 14 | 33 | 30 | 19 | 4 | 14 | 0.79 |
| 1 – 20 – 40 | 105 | 75 | 58 | 2 | 18 | 14 | 34 | 38 | 26 | 4 | 14 | 0.97 |
| 1 – 25 – 40 | 115 | 85 | 68 | 2 | 25 | 14 | 36 | 45 | 33 | 4 | 14 | 1.18 |
| 1 – 32 – 40 | 135 | 100 | 78 | 2 | 31 | 16 | 43 | 56 | 39 | 4 | 18 | 1.83 |
| 1 – 40 – 40 | 145 | 110 | 88 | 3 | 38 | 16 | 45 | 64 | 46 | 4 | 18 | 2.19 |
| 1 – 50 – 40 | 160 | 125 | 102 | 3 | 48 | 17 | 45 | 76 | 58 | 4 | 18 | 2.81 |
| 1 – 65 – 40 | 180 | 145 | 122 | 3 | 66 | 19 | 50 | 96 | 77 | 8 | 18 | 3.71 |
| 1 – 80 – 40 | 195 | 160 | 133 | 3 | 78 | 21 | 55 | 112 | 90 | 8 | 18 | 4.8 |
| 1 – 100 – 40 | 230 | 190 | 158 | 3 | 96 | 23 | 65 | 138 | 110 | 8 | 22 | 7.4 |
| 1 – 125 – 40 | 270 | 220 | 184 | 3 | 120 | 25 | 65 | 160 | 135 | 8 | 26 | 10 |
| 1 – 150 – 40 | 300 | 250 | 212 | 3 | 145 | 27 | 68 | 186 | 161 | 8 | 26 | 13.03 |
| 1 – 175 – 40 | 350 | 295 | 242 | 3 | 177 | 33 | 85 | 226 | 196 | 12 | 30 | 20.75 |
| 1 – 200 – 40 | 375 | 320 | 285 | 3 | 200 | 35 | 85 | 250 | 222 | 12 | 30 | 24.44 |
| 1 – 225 – 40 | 415 | 355 | 315 | 3 | 226 | 37 | 95 | 280 | 248 | 12 | 33 | 31.33 |
| 1 – 250 – 40 | 445 | 385 | 345 | 3 | 252 | 39 | 98 | 310 | 278 | 12 | 33 | 37.59 |
| 1 – 300 – 40 | 510 | 450 | 410 | 4 | 301 | 42 | 112 | 368 | 330 | 16 | 33 | 57.1 |
| 1 – 350 – 40 | 570 | 510 | 465 | 4 | 351 | 48 | 116 | 418 | 382 | 16 | 33 | 70.34 |
| 1 – 400 – 40 | 655 | 585 | 535 | 4 | 398 | 54 | 135 | 480 | 432 | 16 | 39 | 106.8 |
| 1 – 450 – 40 | 680 | 610 | 560 | 4 | 448 | 56 | 135 | 530 | 484 | 20 | 39 | 107 |
| 1 – 500 – 40 | 755 | 670 | 615 | 4 | 495 | 58 | 140 | 580 | 535 | 20 | 45 | 132.3 |
| 1 – 600 – 40 | 890 | 795 | 735 | 5 | 595 | 58 | 140 | 686 | 636 | 20 | 52 | 181 |
| 1 – 700 – 40 | 995 | 900 | 810 | 5 | 695 | 63 | 160 | 790 | 726 | 24 | 52 | 228.3 |
| 1 – 800 – 40 | 1135 | 1030 | 960 | 5 | 795 | 71 | 190 | 908 | 826 | 24 | 56 | 343.7 |
| 1 – 900 – 40 | 1250 | 1140 | 1070 | 5 | 895 | 74 | 215 | 1024 | 926 | 28 | 56 | 436.5 |
| 1 – 1000 – 40 | 1360 | 1250 | 1180 | 5 | 995 | 77 | 235 | 1140 | 1028 | 28 | 56 | 540.8 |
| 1 – 1200 – 40 | 1575 | 1460 | 1380 | 5 | 1195 | 80 | 250 | 1350 | 1228 | 32 | 62 | 690.6 |
GOST 12821-80 Flange PN63 Dimensions
| Nomenclature | D (mm) | D1 (mm) | D2 (mm) | h (mm) | d1 (mm) | b (mm) | h4 (mm) | Dm (mm) | Dn (mm) | Number of holes (n) | d (mm) | Weight, Kg |
| 1 – 10 – 63 | 100 | 70 | 42 | 2 | 8 | 16 | 46 | 34 | 15 | 4 | 14 | 1.03 |
| 1 – 15 – 63 | 105 | 75 | 47 | 2 | 12 | 16 | 46 | 38 | 19 | 4 | 14 | 1.15 |
| 1 – 20 – 63 | 125 | 90 | 58 | 2 | 18 | 18 | 54 | 48 | 26 | 4 | 18 | 1.8 |
| 1 – 25 – 63 | 135 | 100 | 68 | 2 | 25 | 20 | 56 | 52 | 33 | 4 | 18 | 2.3 |
| 1 – 32 – 63 | 150 | 110 | 78 | 2 | 31 | 21 | 60 | 64 | 39 | 4 | 22 | 2.94 |
| 1 – 40 – 63 | 165 | 125 | 88 | 3 | 37 | 21 | 65 | 74 | 46 | 4 | 22 | 3.75 |
| 1 – 50 – 63 | 175 | 135 | 102 | 3 | 47 | 23 | 67 | 86 | 58 | 4 | 22 | 4.63 |
| 1 – 65 – 63 | 200 | 160 | 122 | 3 | 64 | 25 | 72 | 106 | 77 | 8 | 22 | 6.29 |
| 1 – 80 – 63 | 210 | 170 | 133 | 3 | 77 | 27 | 72 | 120 | 90 | 8 | 22 | 7.22 |
| 1 – 100 – 63 | 250 | 200 | 158 | 3 | 94 | 29 | 77 | 140 | 110 | 8 | 26 | 10.71 |
| 1 – 125 – 63 | 295 | 240 | 184 | 3 | 118 | 33 | 95 | 172 | 135 | 8 | 30 | 17.13 |
| 1 – 150 – 63 | 340 | 280 | 212 | 3 | 142 | 35 | 105 | 206 | 161 | 8 | 33 | 24.6 |
| 1 – 175 – 63 | 370 | 310 | 212 | 3 | 174 | 39 | 105 | 232 | 196 | 12 | 33 | 28.61 |
| 1 – 200 – 63 | 405 | 345 | 285 | 3 | 198 | 41 | 110 | 264 | 222 | 12 | 33 | 36.6 |
| 1 – 225 – 63 | 430 | 370 | 315 | 3 | 222 | 43 | 115 | 290 | 248 | 12 | 33 | 42.54 |
| 1 – 250 – 63 | 470 | 400 | 345 | 3 | 246 | 45 | 115 | 316 | 278 | 12 | 39 | 50.89 |
| 1 – 300 – 63 | 530 | 460 | 410 | 4 | 294 | 50 | 120 | 370 | 330 | 16 | 39 | 68.15 |
| 1 – 350 – 63 | 595 | 525 | 465 | 4 | 342 | 56 | 140 | 430 | 382 | 16 | 39 | 98.68 |
| 1 – 400 – 63 | 670 | 585 | 535 | 4 | 386 | 62 | 155 | 484 | 432 | 16 | 45 | 135.8 |
| 1 – 500 – 63 | 800 | 705 | 615 | 4 | 485 | 66 | 165 | 594 | 535 | 20 | 52 | 192.7 |
| 1 – 600 – 63 | 925 | 825 | 735 | 5 | 585 | 71 | 180 | 704 | 636 | 20 | 52 | 269.3 |
| 1 – 700 – 63 | 1045 | 930 | 840 | 5 | 685 | 76 | 225 | 820 | 726 | 24 | 56 | 300.9 |
| 1 – 800 – 63 | 1165 | 1050 | 960 | 5 | 785 | 85 | 225 | 920 | 826 | 24 | 62 | 463.9 |
| 1 – 900 – 63 | 1285 | 1170 | 1070 | 5 | 885 | 88 | 265 | 1050 | 926 | 28 | 62 | 954.4 |
| 1 – 1000 – 63 | 1415 | 1290 | 1180 | 5 | 985 | 92 | 280 | 1160 | 1028 | 28 | 70 | 980.6 |
| 1 – 1200 – 63 | 1665 | 1530 | 1380 | 5 | 1185 | 95 | 315 | 1386 | 1228 | 32 | 78 | 1264 |
Marking for Gost 12821-80 flanges
A flange marked:
Фланец 10-100-1 ГОСТ 12821-80
Means:
- PN 10 MPa
- DN 100
- Sealing face type 1 (smooth)
- Butt-welded flange per GOST 12821-80

GOST 12821-80 Standard English
⬇️ Download GOST 12821-80 Standard in English now (PDF)
And Gost 12821-80 flanges Dimension chart
⬇️ Download GOST 12821-80 Weld neck Flange PN6 Dimensions now (PDF)
⬇️ Download GOST 12821-80 Weld neck Flange PN10 Dimensions now (PDF)
⬇️ Download GOST 12821-80 Weld neck Flange PN16 Dimensions now (PDF)
⬇️ Download GOST 12821-80 Weld neck Flange PN25 Dimensions now (PDF)
⬇️ Download GOST 12821-80 Weld neck Flange PN40 Dimensions now (PDF)
⬇️ Download GOST 12821-80 Weld neck Flange PN63 Dimensions now (PDF)
GOST 12821-80 Flanges are weld neck (WN) steel flanges designed for high-pressure pipeline systems, manufactured in accordance with Russian Standard GOST 12821-80. These flanges are widely used in oil & gas, power generation, chemical, and shipbuilding industries for secure, leak-proof connections between pipes, valves, and pressure vessels.





