Manufacuturer of GOST 12836-67 BLIND FLANGE
We produce high quality of blind flanges fully compliant with the GOST 12836-67 standard. Trusted by industrial clients worldwide, we deliver durable, precision-engineered flanges ideal for piping systems, pressure vessels, and pipeline sealing applications.
What is a GOST 12836-67 Blind Flange?
A blind flange is designed to seal the end of a pipe or valve, preventing fluid flow. Manufactured according to the GOST 12836-67 standard, these flanges ensure exact dimensions and high mechanical performance suitable for demanding industrial environments. GOST 12836-67 defines the technical specifications, sizes, materials, and testing requirements for these blind flanges used primarily in Russian and CIS markets.
GOST 12836-67 is a Russian national standard that specifies the design and dimensions of blind flanges for pipeline systems.
blind flanges also called steel plug in Russia,which is used to Seals off the end of a pipe, valve, or vessel, preventing the flow of fluids (liquids or gases) or providing a barrier in a system.
ГОСТ 12836-67 GOST 12836-67
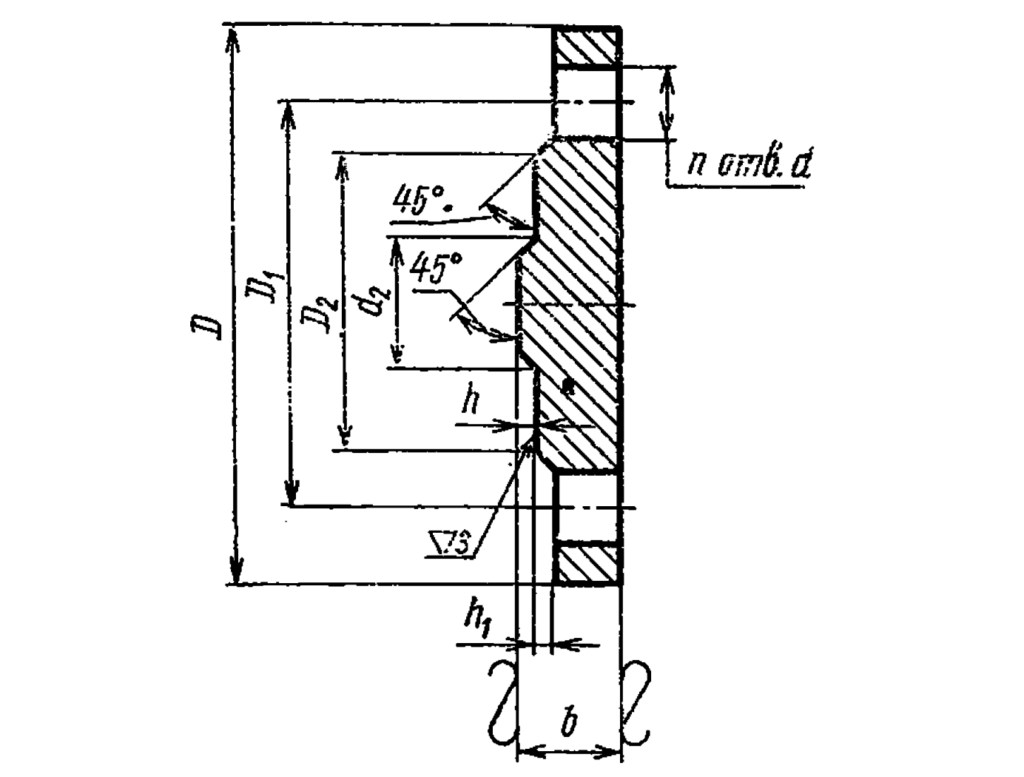
This standard applies to steel flanged blind flanges with a connecting boss for a nominal pressure Py of 1—25 kgf/cm² and a temperature not exceeding 450∘C, and for Py 40 kgf/cm² and a temperature not exceeding 530∘C.

GOST/ГОСТ 12836 PN10 1.0Mpa Blind Flange Dimensions

GOST/ГОСТ 12836 Blind Flange Dimensions PN25 2.5Mpa

GOST/ГОСТ 12836 Blind Flange Dimensions PN25 2.5Mpa
GOST/ГОСТ 12836 Blind Flange Dimensions PN40 4.0Mpa
Material for ГОСТ 12836-67 GOST 12836-67 blind flanges
- Carbon steel :СТ20; СТ.3, 09Т2С
- Stainless steel:12Х18Н10Т; 10Х17Н13М2Т,ASTM A182 F304L, F316/316L, F316H, F310, F321 F44
- Alloy steel:ASTM A182 F1, F5a, F9, F11, F12, F22, F91,15Х5М
⬇️ Download ГОСТ 12836-67 GOST 12836-67 blind flanges dimensions
Contact Us for GOST 12836-67 Blind Flanges
As a trusted manufacturer of GOST 12836-67 blind flanges, we are committed to providing top-quality products tailored to your specification




