ASTM A182 F316/ F316L Stainless Steel Flanges Manufacturer & Supplier
We are a professional manufacturer and global exporter of ASTM A182 F316 and F316L stainless steel flanges, available in a wide variety of types including Weld Neck (WN), Slip-On (SO), Blind (BL), Socket Weld (SW), and Threaded (TH) flanges.
ASTM A182 / A182M – Standard Specification for Forged or Rolled Alloy and Stainless Steel Pipe Flanges, Forged Fittings, and Valves and Parts for High-Temperature Service
Download ASTM A182 2024 pdf
⬇️ Download ASTM A182-24 Now (PDF)
ASTM A182 covers:
ASTM A182 F316/316L Flange Types Available
ASTM A182 alloy steel flanges are manufactured in compliance with:
- Specifications: ASTM A182 / ASME SA182
- Dimensions: ASME B16.5, B16.47, DIN, EN1092-1, BS4504
- Size Range: ½” to 48” (DN15–DN1200)
- Face Type: RF (Raised Face), FF (Flat Face), RTJ (Ring-Type Joint)
Available types:
- ASTM A182 F316/316L Weld Neck Flange (WN)
- ASTM A182 F316/316L Blind Flange (BL)
- ASTM A182 F316/316L Slip-On Flange (SO)
- ASTM A182 F316/316L Socket Weld Flange (SW)
- ASTM A182 F316/316L Threaded Flange (TH)
- Lap Joint Flange (LJ)
- Orifice Flanges
What is A182 F316 / F316L?
ASTM A182 F316 and F316L refer to forged austenitic stainless steels used primarily for flanges, fittings, valves, and other high-pressure components for elevated temperatures. These grades offer excellent resistance to chloride corrosion, acidic media, and oxidizing environments, making them ideal for chemical and marine applications.
- F316 = Standard molybdenum-bearing stainless steel (Mo ≈ 2–3%)
- F316L = Low carbon version of F316 (C ≤ 0.035%) → better weldability & corrosion resistance
ASTM A182 is the a standard Specification for Forged or Rolled Alloy-Steel Pipe Flanges, Forged Fittings, and Valves and Parts for High-Temperature Service.
Chemical Composition of A182 F316/F316L
| Element | F316 | F316L |
|---|---|---|
| Carbon (C) | ≤ 0.08 | ≤ 0.035 |
| Manganese (Mn) | ≤ 2.00 | ≤ 2.00 |
| Phosphorus (P) | ≤ 0.045 | ≤ 0.045 |
| Sulfur (S) | ≤ 0.030 | ≤ 0.030 |
| Silicon (Si) | ≤ 1.00 | ≤ 1.00 |
| Chromium (Cr) | 16.0 – 18.0 | 16.0 – 18.0 |
| Nickel (Ni) | 10.0 – 14.0 | 10.0 – 14.0 |
| Molybdenum (Mo) | 2.0 – 3.0 | 2.0 – 3.0 |
| Iron (Fe) | Balance | Balance |
Tensile and hardness requirement of A182 F316/F316L
| Property | F304 | F304L |
|---|---|---|
| Tensile Strength | ≥515 MPa | ≥485 MPa |
| Yield Strength | ≥205 MPa | ≥170 MPa |
| Elongation | ≥30% | ≥30% |
| Hardness (HB) | ≤192 | ≤192 |
ASTM A182 316/316L Flange Manufacture
The stainless steels shall be melted by one of the following processes: (a) electric-furnace (with the option of separate degassing and refining processes); (b) vacuumfurnace; or (c) one of the former followed by vacuum or electroslag-consumable remelting
ASTM A182 316/316L Flange Heat treatment
| Grade | Heat Treat Type | Austenitizing/ Solutioning Temperature, Minimum or Range,°F [°C] | cooling Media | Quenching Cool Below °F [°C] | Tempering, Temperature, Minimum or Range,°F [°C] |
|---|---|---|---|---|---|
| F316 | solution treat and quench | 1900 [1040] | liquid | 500 [260] | B |
| F316L | solution treat and quench | 1900 [1040] | liquid | 500 [260] | B |
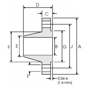
Dimension of A182 F316/316L Weld Neck flanges ASME B16.5
ASME B16.5 Class 150 lb Weld Neck Flange Dimensions & Weight

| NPS | A | B | C | D | E | F | G | H | I | J | W |
| inch | inch | inch | inch | inch | inch | inch | No. of Holes | inch | inch | kg/pc | |
| mm | mm | mm | mm | mm | mm | mm | mm | mm | |||
| 1/2 | 3.500 | 0.620 | 0.440 | 1.880 | 0.840 | 1.190 | 1.380 | 4 | 0.620 | 2.380 | 0.48 |
| 88.90 | 15.70 | 11.20 | 47.80 | 21.30 | 30.20 | 35.00 | 15.70 | 60.45 | |||
| 3/4 | 3.880 | 0.820 | 0.500 | 2.060 | 1.050 | 1.500 | 1.690 | 4 | 0.620 | 2.750 | 0.71 |
| 98.60 | 20.80 | 12.70 | 52.30 | 26.70 | 38.10 | 42.90 | 15.70 | 69.85 | |||
| 1 | 4.250 | 1.050 | 0.560 | 2.190 | 1.320 | 1.940 | 2.000 | 4 | 0.620 | 3.120 | 1.01 |
| 108.0 | 26.70 | 14.20 | 55.60 | 33.50 | 49.30 | 50.80 | 15.70 | 79.25 | |||
| 1-1/4 | 4.620 | 1.380 | 0.620 | 2.250 | 1.660 | 2.310 | 2.550 | 4 | 0.620 | 3.500 | 1.33 |
| 117.3 | 35.10 | 15.70 | 57.15 | 42.20 | 58.70 | 63.50 | 15.70 | 88.90 | |||
| 1-1/2 | 5.000 | 1.610 | 0.690 | 2.440 | 1.900 | 2.560 | 2.880 | 4 | 0.620 | 3.880 | 1.72 |
| 127.0 | 40.90 | 17.50 | 62.00 | 48.30 | 65.00 | 73.15 | 15.70 | 98.60 | |||
| 2 | 6.000 | 2.070 | 0.750 | 2.500 | 2.380 | 3.060 | 3.620 | 4 | 0.750 | 4.750 | 2.58 |
| 152.4 | 52.60 | 19.10 | 63.50 | 60.45 | 77.70 | 91.90 | 19.10 | 120.7 | |||
| 2-1/2 | 7.000 | 2.470 | 0.880 | 2.750 | 2.880 | 3.560 | 4.120 | 4 | 0.750 | 5.500 | 4.11 |
| 177.8 | 62.70 | 22.40 | 69.85 | 73.15 | 90.40 | 104.6 | 19.10 | 139.7 | |||
| 3 | 7.500 | 3.070 | 0.940 | 2.750 | 3.500 | 4.250 | 5.000 | 4 | 0.750 | 6.000 | 4.92 |
| 190.5 | 78.00 | 23.90 | 69.85 | 88.90 | 108.0 | 127.0 | 19.10 | 152.4 | |||
| 3-1/2 | 8.500 | 3.550 | 0.940 | 2.810 | 4.000 | 4.810 | 5.500 | 8 | 0.750 | 7.000 | 6.08 |
| 215.9 | 90.20 | 23.90 | 71.40 | 101.6 | 122.2 | 139.7 | 19.10 | 177.8 | |||
| 4 | 9.000 | 4.030 | 0.940 | 3.000 | 4.500 | 5.310 | 6.190 | 8 | 0.750 | 7.500 | 6.84 |
| 228.6 | 102.4 | 23.90 | 76.20 | 114.3 | 134.9 | 157.2 | 19.10 | 190.5 | |||
| 5 | 10.00 | 5.050 | 0.940 | 3.500 | 5.560 | 6.440 | 7.310 | 8 | 0.880 | 8.500 | 8.56 |
| 254.0 | 128.3 | 23.90 | 88.90 | 141.2 | 163.6 | 185.7 | 22.40 | 215.9 | |||
| 6 | 11.00 | 6.070 | 1.000 | 3.500 | 6.630 | 7.560 | 8.500 | 8 | 0.880 | 9.500 | 10.6 |
| 279.4 | 154.2 | 25.4 | 88.90 | 168.4 | 192.0 | 215.9 | 22.40 | 241.3 | |||
| 8 | 13.50 | 7.980 | 1.120 | 4.000 | 8.630 | 9.690 | 10.62 | 8 | 0.880 | 11.75 | 17.6 |
| 342.9 | 202.7 | 28.40 | 101.6 | 219.2 | 246.1 | 269.7 | 22.40 | 298.5 | |||
| 10 | 16.00 | 10.02 | 1.190 | 4.000 | 10.75 | 12.00 | 12.75 | 12 | 1.000 | 14.25 | 24.0 |
| 406.4 | 254.5 | 30.20 | 101.6 | 273.0 | 304.8 | 323.8 | 25.40 | 362.0 | |||
| 12 | 19.00 | 12.00 | 1.250 | 4.500 | 12.75 | 14.38 | 15.00 | 12 | 1.000 | 17.00 | 36.5 |
| 482.6 | 304.8 | 31.75 | 114.3 | 323.8 | 365.3 | 381.0 | 25.40 | 431.8 | |||
| 14 | 21.00 | 1.380 | 5.000 | 14.00 | 15.75 | 16.25 | 12 | 1.120 | 18.75 | 48.4 | |
| 533.4 | 35.10 | 127.0 | 355.6 | 400.1 | 412.7 | 28.40 | 476.3 | ||||
| 16 | 23.50 | 1.440 | 5.000 | 16.00 | 18.00 | 18.50 | 16 | 1.120 | 21.25 | 60.6 | |
| 596.9 | 36.60 | 127.0 | 406.4 | 475.2 | 469.9 | 28.40 | 539.8 | ||||
| 18 | 25.00 | 1.560 | 5.500 | 18.00 | 19.88 | 21.00 | 16 | 1.250 | 22.75 | 68.3 | |
| 635.0 | 39.60 | 139.7 | 457.2 | 505.0 | 533.4 | 31.75 | 577.9 | ||||
| 20 | 27.50 | 1.690 | 5.690 | 20.00 | 22.00 | 23.00 | 20 | 1.250 | 25.00 | 84.5 | |
| 698.5 | 42.90 | 144.5 | 508.0 | 558.8 | 584.2 | 31.75 | 635 | ||||
| 24 | 32.00 | 1.880 | 6.000 | 24.00 | 26.12 | 27.25 | 20 | 1.380 | 29.50 | 115 | |
| 812.8 | 47.80 | 152.4 | 609.6 | 663.4 | 692.1 | 35.10 | 749.3 |
⬇️ Download Dimension of Weld Neck flanges Class 150 lbs ASME B16.5 PDF
⬇️ Download Dimension of Weld Neck flanges Class 300 lbs ASME B16.5 PDF
⬇️ Download Dimension of Weld Neck flanges Class 400 lbs ASME B16.5 PDF
⬇️ Download Dimension of Weld Neck flanges Class 600 lbs ASME B16.5 PDF
⬇️ Download Dimension of Weld Neck flanges Class 900 lbs ASME B16.5 PDF
⬇️ Download Dimension of Weld Neck flanges Class 1500 lbs ASME B16.5 PDF
⬇️ Download Dimension of Weld Neck flanges Class 2500 lbs ASME B16.5 PDF
Testing & Certification of A182 F316/316L flanges
Third-party inspection: SGS, BV, TUV available
100% PMI (Positive Material Identification)
Hydrostatic Pressure Testing
UT / RT / PT / MPT as per customer request
EN 10204 3.1 / 3.2 MTC provided
ASTM A182 316/316L flanges Marking Requirements
Each flange is marked with:
- ASTM A182
- Grade ( F316/316L)
- Heat number
- Pressure rating (e.g., 300#)
- Manufacturer’s logo
- Size and schedule

Typical Order Description of ASTM A182 F316/F316L Weld neck Flanges
Product Name: Stainless Steel A182 F316L Weld Neck Flange
Type: Weld Neck Flange
Standard: ANSI B16.5
Material: Stainless Steel, ASTM A182 F316L
Size: 8 Inch, DN200
Pressure: Class 150 LB,
Process Method: Forged
Face: Raised Face
Conact us to know more about our ASTM A182 F316 / F316L flange pricing,delivery..etc
⬇️ Download ASTM A182 F316-316L Forging specification PDF
ASTM A182 F304L vs F316L – What’s the Difference?
When selecting stainless steel forged flanges and fittings, ASTM A182 F304L and F316L are two of the most commonly used grades. While both are low-carbon austenitic stainless steels, they differ in corrosion resistance, chemical composition, and application suitability.
Comparison Table of A182 F304L vs F316L
| Feature | F304L | F316L |
|---|---|---|
| Standard | ASTM A182 / ASME SA182 | ASTM A182 / ASME SA182 |
| UNS Designation | S30403 | S31603 |
| Carbon Content | ≤ 0.035% | ≤ 0.035% |
| Molybdenum (Mo) | ❌ Not available | ✅ 2.0–3.0% |
| Corrosion Resistance | Good | Better (especially in chlorides) |
| Pitting/Crevice Resistance | Moderate | High (due to Mo) |
| Cost | 💲 Lower | 💲💲 Higher |
| Weldability | Excellent | Excellent |
| Applications | General purpose | Marine, chemical, corrosive media |
Corrosion Resistance
- F304L offers good general corrosion resistance in mild environments, such as food processing, water, and indoor structural uses.
- F316L contains molybdenum, which significantly improves resistance to chloride-induced pitting and crevice corrosion — ideal for marine, offshore, and chemical processing.


