A Socket Weld Flange is a type of flange designed for small-diameter, high-pressure piping systems. It has a recessed socket into which the pipe is inserted before being fillet welded around the hub.
Socket Weld Flanges: Socket weld flanges have a recessed area (socket) into which the pipe end fits, allowing for fillet welding. They are suitable for small-bore piping systems and applications with moderate pressure and temperature requirements.
What Is a Socket Weld Flange?
Socket Weld Flange also known as SW flange,features a bore and a counter-bore. The pipe fits into the counter-bore (socket), and a fillet weld is applied at the outer edge of the hub. The design ensures smooth bore alignment with the pipe, minimizing flow restrictions.
Types of Socket Weld Flanges Face type We Offer:
| Flange Type | Description |
|---|---|
| WN RF (Weld Neck Raised Face) | Most common type for high-pressure pipelines. |
| WN RTJ (Weld Neck Ring Type Joint) | Used for severe, high-pressure applications, especially in oil & gas. |
| WN FF (Weld Neck Flat Face) | Suitable for low-pressure and non-critical piping systems. |
Socket Weld flange Face type

Socket Weld Flange Flat Face
Flat face (FF) flanges use non-metallic gaskets (soft gaskets) and should always have a serrated sealing surface. This type of flange is well suited to low pressure applications and is used for pressure classes 125 and 250.
The Flat Face flange has a gasket surface in the same plane as the bolting circle face. Applications using flat face flanges are frequently those in which the mating flange or flanged fitting is made from a casting.
Socket Weld Flange Raise Face
Raised face weld neck flange bottom side has a small portion surrounding the bore that protrudes from the face. Gasket seat will be placed in this raised area. Depending on the different pressure ratings, different height of raised face will be adopted. For example, 150# and 300# flange raised face height is 1/6”, above 300# the height will be above 1/4”.
Socket Weld Flange Ring Joint Face
The ring-joint type of WN flange has a special made groove, here you can place a metal gasket seat to seal the connects. So this type of SW flange is used in high temperature and high pressure services.
Long Weld Neck Flanges
Long Weld Neck (LWN) Flanges are a variant of weld neck flanges with an extended neck that functions as a nozzle for tanks, vessels, or pressure equipment. Unlike standard weld neck flanges, which are butt-welded to pipe ends, LWN flanges are typically welded directly to the vessel body, offering reinforcement and smooth stress distribution.
Socket Wel Flange Materials We Offer
| Standard | Material Grade |
|---|---|
| Carbon Steel | ASTM A105, A350 LF2, A694 F52/F60/F65 |
| Stainless Steel | ASTM A182 F304/L, F316/L, F321, F347, F51, F53, F55 |
| Alloy Steel | ASTM A182 F11, F12,F22, F5, F9, F91 |
| Nickel Alloys | Inconel 625, Incoloy 825, Hastelloy C276 |
| Duplex / Super Duplex | UNS S31803, S32205, S32750, S32760 |
| Special Materials | 904L (1.4539), Monel 400, Titanium, Aluminum, Copper-Nickel |
Manufacturing & Testing
- Forged blank
- CNC machining with bevel ends (SCH10 to SCH160, XXS)
- Heat treatment: Normalizing, Quenching + Tempering, Annealing
- NDT: UT / PT / MT / RT
- PMI, hydrostatic testing, hardness & impact testing (on request)
- MTC: EN 10204 3.1 / 3.2, Third-party inspection (TÜV, SGS, BV)
Socket Weld Flange specification
- Connection: Socket + fillet weld (no need for beveling the pipe)
- Size Range: Typically from ½” to 4” (up to 6” available)
- Pressure Classes: Class 150, 300, 600, 900, 1500
- Face Types: Raised Face (RF), Flat Face (FF),Ring Joint
- Common Standards:
- ASME B16.5
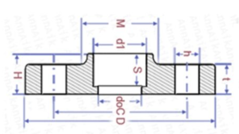
Dimensions Socket Weld Flanges

ASME B16.5 Socket Weld Flanges 150 Lbs Dimensions:
| Drilling | |||||||||
|---|---|---|---|---|---|---|---|---|---|
| Nominal Bore | Dia. (D) | Thick. (E) | Dia. (F) | Dia. (B) | Dia. (A) | Height1 (H) | Nbr | Holes | Dia. (C) |
| 1/2″ | 90 | 11.2 | 35.05 | 30 | 22.2 | 14 | 4 | 15.87 | 60.3 |
| 3/4″ | 100 | 12.7 | 42.92 | 38 | 27.7 | 14 | 4 | 15.87 | 69.9 |
| 1″ | 110 | 14.3 | 50.80 | 49 | 34.5 | 16 | 4 | 15.87 | 79.4 |
| 1 1/4″ | 115 | 15.9 | 63.50 | 59 | 43.2 | 19 | 4 | 15.87 | 88.9 |
| 1 1/2″ | 125 | 17.5 | 73.15 | 65 | 49.5 | 21 | 4 | 15.87 | 98.4 |
| 2″ | 150 | 19.1 | 91.94 | 78 | 61.9 | 24 | 4 | 19.05 | 120.7 |
| 2 1/2″ | 180 | 22.3 | 104.65 | 90 | 74.6 | 27 | 4 | 19.05 | 139.7 |
| 3″ | 190 | 23.9 | 127.00 | 108 | 90.7 | 29 | 4 | 19.05 | 152.4 |
IMP. NOTES: 1,6mm raised face not included in the E & H dimensions The dimensions are in millimeters
ASME B16.5 Socket Weld Flanges 300 Lbs Dimensions:
Drilling | |||||||||
|---|---|---|---|---|---|---|---|---|---|
| Nominal Bore | Dia. (D) | Thick. (E) | Dia. (F) | Dia. (B) | Dia. (A) | Height1 (H) | Nbr | Holes | Dia. (C) |
| 1/2″ | 95 | 12.7 | 35.05 | 38 | 22.2 | 21 | 4 | 15.87 | 66.7 |
| 3/4″ | 115 | 14.3 | 42.92 | 48 | 27.7 | 24 | 4 | 19.05 | 82.6 |
| 1″ | 125 | 15.9 | 50.80 | 54 | 34.5 | 25 | 4 | 19.05 | 88.9 |
| 1 1/4″ | 135 | 17.5 | 63.50 | 64 | 43.2 | 25 | 4 | 19.05 | 98.4 |
| 1 1/2″ | 155 | 19.1 | 73.15 | 70 | 49.5 | 29 | 4 | 22.22 | 114.3 |
| 2″ | 165 | 20.7 | 91.94 | 84 | 61.9 | 32 | 8 | 19.05 | 127.0 |
| 2 1/2″ | 190 | 23.9 | 104.65 | 100 | 74.6 | 37 | 8 | 22.22 | 149.2 |
| 3″ | 210 | 27.0 | 127.00 | 117 | 90.7 | 41 | 8 | 22.22 | 168.3 |
IMP. NOTES: 1,6mm raised face not included in the E & H dimensions The dimensions are in millimeters
ASME B16.5 Socket Weld Flanges 600 Lbs Dimensions:
Drilling | |||||||||
|---|---|---|---|---|---|---|---|---|---|
| Nominal Bore | >Dia. (D) | Thick. (E) | Dia. (F) | Dia. (B) | Dia. (A) | Height1 (H) | Nbr | Holes | Dia. (C) |
| 1/2″ | 95 | 14.3 | 35.05 | 38 | 22.2 | 22 | 4 | 15.87 | 66.7 |
| 3/4″ | 115 | 15.9 | 42.92 | 48 | 27.7 | 25 | 4 | 19.05 | 82.6 |
| 1″ | 125 | 17.5 | 50.80 | 54 | 34.5 | 27 | 4 | 19.05 | 88.9 |
| 1 1/4″ | 135 | 20.7 | 63.50 | 64 | 43.2 | 29 | 4 | 19.05 | 98.4 |
| 1 1/2″ | 155 | 22.3 | 73.15 | 70 | 49.5 | 32 | 4 | 22.22 | 114.3 |
| 2″ | 165 | 25.4 | 91.94 | 84 | 61.9 | 37 | 8 | 19.05 | 127.0 |
| 2 1/2″ | 190 | 28.6 | 104.65 | 100 | 74.6 | 41 | 8 | 22.22 | 149.2 |
| 3″ | 210 | 31.8 | 127.00 | 117 | 90.7 | 46 | 8 | 22.22 | 168.3 |
IMP. NOTES: 6,4mm raised face not included in the E & H dimensions The dimensions are in millimeters
Inner diameter depending on thicknesses:
| Nominal Bore | SCH10S | SCH40S | SCH80S | SCH160 |
|---|---|---|---|---|
| 1/2″ | 17.1 | 15.8 | 13.9 | 11.8 |
| 3/4″ | 22.4 | 20.9 | 18.8 | 15.6 |
| 1″ | 27.8 | 26.6 | 24.3 | 20.7 |
| 1 1/4″ | 36.6 | 35.1 | 32.5 | 29.5 |
| 1 1/2″ | 42.7 | 40.9 | 38.1 | 34 |
| 2″ | 54.7 | 52.5 | 49.2 | 42.9 |
| 2 1/2″ | 66.9 | 62.7 | 59 | 54 |
| 3″ | 82.8 | 77.9 | 73.7 | 66.7 |
IMP. NOTE: The dimensions are in millimeters
ASME B16.5 Socket Weld Flanges Dimensional Tolerances
| Outside Diameter ≤ 24 = 1.6 mm | > 24 = ± 3.2 mm | Inside Diameter ≤ 10 = ± 0.8 mm | ≥ 12 = + 1.6 mm / – 0 mm |
| Diameter of Contact Face 1.6 mm Raised Face = ± 0.8 mm 6.35 mm Raised Face, Tongue & Groove / Male-Female = ± 0.4 mm | Outside Diameter of Hub ≤ 12 = + 2.4 mm / – 1.6 mm | ≥ 14 = ± 3.2 mm |
| Diameter of Counterbore Same as for Inside Diameter | Drilling Bolt Circle = 1.6 mm | Bolt Hole Spacing = ± 0.8 mm Eccentricity of Bolt Circle with Respect to Facing ≤ 2½ = 0.8 mm max. | ≥ 3 = 1.6 mm max. |
| Thickness ≤ 18 = + 3.2 mm / – 0 | ≥ 20 = + 4.8 mm / – 0 | Length thru Hub ≤ 18 = + 3.2 mm / – 0.8 mm | ≥ 20 = + 4.8 mm / – 1.6 mm |






